911色I原创真实夫妻啪啪avI91精品国I奇米色在线I涩涩爱影院Iwww.五月天激情Iav天天堂I白丝avI在线看的黄色网址I亚洲综合在线色I国产尤物视频在线I在线xxxxI久久婷亚洲五月一区天天躁I草久久I极品少妇一区I国产又粗又长免费视频I欧美三级黄I一本久久久I一区在线观看I在线国产区

配件供應中心珀金斯Perkins 柴油機配件批發2674 A120渦輪增壓器T4.20_珀金斯發動機配件_配件供應中心_產品中心_廈門永新昌機械設備有限公司
珀金斯Perkins 柴油機配件批發2674 A120渦輪增壓器T4.20

珀金斯Perkins 柴油機配件批發2674 A120渦輪增壓器T4.20_珀金斯發動機配件_配件供應中心_產品中心_廈門永新昌機械設備有限公司

當前分類:配件供應中心關鍵詞
產品信息

珀金斯柴油機配件批發2674 A120渦輪增壓器 T4.20

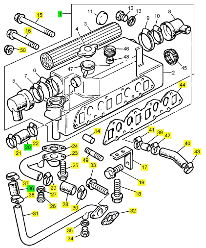
項目 零配件號碼 最近的部分號碼

1 2674 A120 1 2674 A120 渦輪增壓器

(1) 2674 A120P 1 2674 A120R 渦輪增壓器 -交換

(1) 2674 A120R 1 2674 A120R 渦輪增壓器 -交換

9425B050SBHB0478 Turbocharger, Manifolds & Air Charge Cooler

9429B050SBHB0478 Turbocharger, Manifolds & Air Charge Cooler

9430B050SBHB0478 Turbocharger, Manifolds & Air Charge Cooler

9431B050SBHB0478 Turbocharger, Manifolds & Air Charge Cooler

Item Parts No. Qty. Latest Part No. Description Cut Out Cut In Comment

2 26741162 1 26741162 CORE

3 1 HOUSING

4 26741182 1 26741182 GASKET

5 26741140 1 26741140 RING

6 1 HOUSING

7 1 ARM

8 1 LEVER

9 26741136 2 26741136 RING

10 1 RETAINER

11 26741189 1 26741189 ROD

12 26741219 1 26741219 ACTUATOR

13 1 BRACKET

14 26741131 1 26741131 HOSE

15 26741178 1 26741178 HOSE CLIP

16 26741178 1 26741178 HOSE CLIP

17 26741180 1 26741180 LOCKNUT

18 2 BOLT

19 26741173 4 26741173 BOLT

項目 零配件號碼 最近的部分號碼

1 2674 A120 1 2674 A120 渦輪增壓器

(1) 2674 A120P 1 2674 A120R 渦輪增壓器 -交換

(1) 2674 A120R 1 2674 A120R 渦輪增壓器 -交換

2 1 TURBOCHARGER

3 26741130 1 26741178 CLAMP

4 26741131 1 26741131 HOSE

5 26741130 1 26741178 CLAMP

項目 零配件號碼 最近的部分號碼

1 3777 C071 1 3777 C071 進氣岐管

2 3681 V003 2 3681 V003I 密合墊 - IND 的岐管

2 36862189 2 36862189 密合墊 - 排出岐管

3 2314 H004 6 2314 H004 螺旋

4 3382 D006 1 3382 D006 水管

5 2481890 1 2481890 水管夾

6 2481890 1 2481890 水管夾

7 3763 D031 1 3763 D031 肘管

8 3482 E006 1 3482 E006 水管

9 2481889 1 2481889 夾

10 2481889 1 2481889 夾

11 L681VF03 1 L681VF03 密合墊 -渦輪增壓器

12 L254HF04 4 2313 M359 圖釘

13 2318 A663 4 2318 A663 螺帽

14 2674923 1 2674923 HEATSHIELD

15 2131 A008 3 2131 A008 墊圈

16 3621 T006 1 3621 T006 托架

17 2131325 3 2131325 墊圈

Item Parts No. Qty. Latest Part No. Description Cut Out Cut In Comment

1 4123E004 1 4123E004 OIL PIPE

8 2314H003 2 2314H003 SCREW

9 3763R011 1 3763R011 CONNECTION

10 2441A004 1 2441A004 NUT

11 2415C004 1 ST11229 SEAL

12 33851126 1 Check History HOSE

13 2481884 1 2481884 CLIP

14 2481884 1 2481884 CLIP

15 4126X031 1 4126X031 OIL PIPE

2 36568135 1 36568135 CLIP

3 36568135 1 36568135 CLIP

4 36568135 1 36568135 CLIP

5 0576112 1 0576112 NUT

6 0566003 1 0566003 OLIVE

7 1 NUT

16 36568148 1 36568148 CLIP

17 L3532F01 1 3353A014 NUT

Item Parts No. Qty. Latest Part No. Description Cut Out Cut In Comment

1 2652C801 1 2652C801 CAP

2 2652C802 1 2652C802 ADAPTOR

3 2481890 2 2481890 HOSE CLIP

4 2481889 1 2481889 CLIP

5 4133Y031 1 4133Y031 ELBOW

8 L688CF01 1 L688CF01 GASKET

9 2313C071 2 2313C071I STUD

10 2318A663 2 2318A663 NUT

11 2313C060 2 2313C060 STUD

12 2318A663 2 2318A663 NUT

13 3764A092 1 3764A092 CONNECTION

14 3683H004 1 3683H004 GASKET

15 2314H008 2 2314H008 SCREW

16 U5MH0009 1 U5MH0009 HOSE KIT

20 4126P113 1 4126P113 WATER PIPE

22 2314H001 2 2314H001 SCREW

23 0650002 1 0650002 PLUG

24 0920154 1 0920154 WASHER

25 3518H102 1 3518H102 TUBE

適用機型:XG560S-DT2(CCCD6), 其他

購買配件須知:

1、購買前請確認零部件型號、技術參數、編碼、適用機型。因批次不同或存在零部件差異,請以實物為準。

2、為選購正確的零部件,可以通過對比現場零部件和本網站所展示的是否一致,來確保購買到準確的零部件。

3、本網站目前暫未上架全部機型的零部件,如在網站中未查詢到的零部件,可在網站留言說明,或撥打免費電話0592-5806900咨詢。