911色I原创真实夫妻啪啪avI91精品国I奇米色在线I涩涩爱影院Iwww.五月天激情Iav天天堂I白丝avI在线看的黄色网址I亚洲综合在线色I国产尤物视频在线I在线xxxxI久久婷亚洲五月一区天天躁I草久久I极品少妇一区I国产又粗又长免费视频I欧美三级黄I一本久久久I一区在线观看I在线国产区

配件供應中心珀金斯Perkins 柴油機配件T412942提升泵銷售中心1106_珀金斯發動機配件_配件供應中心_產品中心_廈門永新昌機械設備有限公司
珀金斯Perkins 柴油機配件T412942提升泵銷售中心1106

珀金斯Perkins 柴油機配件T412942提升泵銷售中心1106_珀金斯發動機配件_配件供應中心_產品中心_廈門永新昌機械設備有限公司

當前分類:配件供應中心關鍵詞
產品信息

珀金斯柴油機配件T412942提升泵銷售中心

項目 零配件號碼 最近的號碼 描述

1 T412942 1 T412942 提升泵

2 3685 R007 1 3685 R007 密合墊 - 提升泵

3 2314 H005 4 2314 H005 螺旋

4 T400106 1 T400106 保護裝備

項目 零配件號碼 最近的號碼 描述

1 T406963 1 T406963 高壓燃油管 - 提升泵過濾

7 2314 J002 2 2314 J002 螺旋

8 T400106 1 T400106 保護裝備

項目 零配件號碼 最近的號碼 描述

1 2656 F702 1 2656 F702 燃料過濾器組合

7 2314 J006 2 2314 J006 螺旋

8 2318 A634 2 2318 A634 螺帽

9 T400106 1 T400106 保護裝備

項目 零配件號碼 最近的號碼 描述

2 1 燃料過濾器組合

3 26560608 2 26561118 燃料過濾器裝備

項目 零配件號碼 最近的號碼 描述

1 2848 A071 1 2848 A071 油壓開關

2 2415 H002 1 2415 H002 密封 - O 的圈

項目 零配件號碼 最近的號碼 描述

1 2848 A126 1 2848 A126 水溫度開關

2 2415 H003 1 2415 H003 密封 - O 的圈

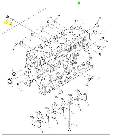
項目 零配件號碼 最近的號碼 描述

1 T405458 1 T405458 缸體組合

1 T405458 1 T405458 缸體組合

30 3278 A006 1 3278 A006 栓塞

31 2415 H519 1 2415 H519 密封 - O 的圈

項目 零配件號碼 最近的號碼 描述

2 1 缸體

2 1 缸體

3 1 橋承蓋

4 1 橋承蓋

5 1 橋承蓋

6 1 橋承蓋

7 1 橋承蓋

8 1 橋承蓋

9 1 橋承蓋

10 3218 A511 14 3218 A511 螺旋

11 T410164 1 T410164 凸輪軸襯套

11 3112 D091 1 T410164 凸輪軸襯套

12 3212 P008 1 3212 P008 栓塞

13 2485 A526 1 2485 A526 栓塞

14 0650710 1 0650710 栓塞

15 3241 A011 1 3241 A011 栓塞

16 0650710 1 0650710 栓塞

17 3241 A011 1 3241 A011 栓塞

18 0650710 1 0650710 栓塞

19 2431154 1 2431154 栓塞

20 32141316 1 32141316 栓塞

21 3244 A009 2 3244 A009 合釘

22 2485 A526 1 2485 A526 栓塞

23 3241 A012 1 3241 A012 栓塞

24 3212 P008 1 3212 P008 栓塞

25 0650710 1 0650710 栓塞

26 32141316 1 32141316 栓塞

27 0650710 1 0650710 栓塞

28 0650710 1 0650710 栓塞

29 0650710 1 0650710 栓塞

項目 零配件號碼 最近的號碼 描述

1 2418 F704 1 2418 F704 密封 - 再操作系統殼

2 3211 C002 10 3211 C002 公制的螺拴

項目 零配件號碼 最近的號碼 描述

1 T405344 6 T405344 活塞冷卻噴射

2 2314 F001 6 2314 F001 螺旋

項目 零配件號碼 最近的號碼 描述

1 T407896 1 T407896 曲軸滑車

2 T406172 1 T406172 擋板

3 T405640 3 T405640 螺旋

4 2314 J704 6 2314 J704 螺旋

項目 零配件號碼 最近的號碼 描述

1 T410861 1 T410861 啟動馬達

1 2873 K631 1 T410861 啟動馬達

2 2313 C078 3 2313 C078 圖釘

3 2318 A604 3 2318 A604 螺帽

購買配件須知:

1、購買前請確認零部件型號、技術參數、編碼、適用機型。因批次不同或存在零部件差異,請以實物為準。

2、為選購正確的零部件,可以通過對比現場零部件和本網站所展示的是否一致,來確保購買到準確的零部件。

3、本網站目前暫未上架全部機型的零部件,如在網站中未查詢到的零部件,請聯系我們。